Biến Tần MD520-2T37S-INT 37KW 3 Pha 200V-240V
- Model: MD520-2T37S-INT
- Hãng sản xuất: Inovance
- Chất lượng: Mới 100%
- Chứng từ: CO, CQ, hóa đơn VAT
1.000 ₫
1.000 ₫
(Giá chưa bao gồm VAT)
Download tài liệu
Dịch vụ & khuyến mãi
Thiết kế và thi công tủ điều khiển sử dụng biến tần
Cài đặt và sửa chữa biến tần Inovance theo yêu cầu
Lắp đặt và vận hành tận nơi
Hỗ trợ kỹ thuật trọn đời
Cam kết giá tốt nhất
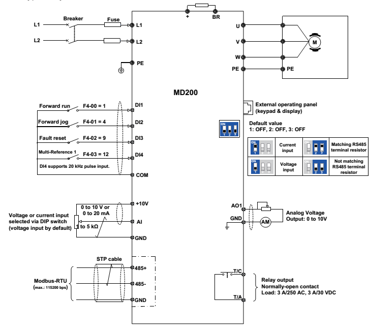
Biến tần Inovance MD200S0.4B-INT là giải pháp điều khiển mini lý tưởng cho nhiều ứng dụng công nghiệp, từ băng tải, đóng gói đến các hệ thống tự động hóa khác. Với thiết kế nhỏ gọn, tính năng vượt trội và hiệu suất ổn định, sản phẩm không chỉ giúp doanh nghiệp tiết kiệm năng lượng mà còn tối ưu hóa quy trình sản xuất
Trong bối cảnh tự động hóa sản xuất hiện nay, việc lựa chọn giải pháp điều khiển động cơ hiệu quả, bền bỉ và kinh tế luôn được đặt lên hàng đầu. Biến tần Inovance MD200S0.4B-INT là một sản phẩm mini đa năng, được thiết kế đặc biệt cho các ứng dụng công nghiệp với yêu cầu ổn định cao và chi phí đầu tư hợp lý.




Biến tần Inovance MD200S0.4B-INT được thiết kế đa năng, phù hợp với nhiều ứng dụng trong ngành công nghiệp như:
Sản phẩm đã xem

Bạn vui lòng nhập đúng số điện thoại để chúng tôi sẽ gọi xác nhận đơn hàng trước khi giao hàng. Xin cảm ơn!
Review Biến Tần MD200S0.4B-INT, Công Suất 0.4KW/1 Pha 220V
Chưa có đánh giá nào.
Chưa có bình luận nào